1、并行4位寄存器

并行4位寄存器

并行寄存器,但是加了一个控制信号。当load为1的时候装载数据。
2、串行寄存器

串行寄存器

串行寄存器,数据转移。图中功能为,控制信号打开4个时钟周期,寄存器A的数据复制到B寄存器中,并且A寄存器的数据不变。
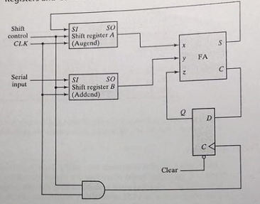
3、4位的全加器

这是一个4位的全加器,运算结束的结果放在A寄存器中,进位输出为Q。使用方法为:Serial inputs,输入8位数据,前四位是加数,后四位是被加数。

使用JK触发器实现上述4位的全加器功能,使用方法不变,储存位置不变,进位输出在Q的位置(JK触发器的Q输出位,图中没有表出来)
4、通用移位寄存器

通用移位寄存器,可以进行左移右移清零,有输入和输出操作。上面为模块图,下面为内部实现图。

为上述功能表
5、分频器(ripple counter)

如上图,可以分2,4,8,16。也可以作为16进制计数器

功能图